QRPGuys DS1 40m -10m Antenna

The DS1 and 40m add-on coil have been retired. They have been replaced with the CLV Center Loaded Vertical Antenna. The CLV has higher Q and efficiency moving the base loaded coil to the center of the antenna. It can be seen at:

https://qrpguys.com/center-loaded-vertical-antenna-kit

 

Your PayPal receipt is your confirmation that we have received your order. Stock availability and shipping volume can delay shipping.
 

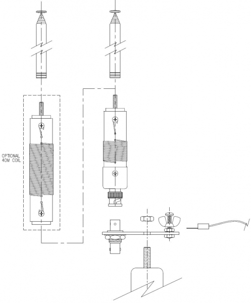
The DS1 Antenna is a small, portable, vertical antenna system for 40m thru 10m. It is resonant on 20m without the added 40m coil, but requires a tuner for the other bands. With the 40m coil it is only resonant on 40m. It is designed for any outdoor portable applications where weight, portability, and ease of setup is a prime concern. It can be deployed in a minute or two, and collapses to a very small package. The overall length, deployed, is 52″, and can be disassembled to it’s longest piece being only 6.5″ long.  For best efficiency it is fitted with a 16.5′ long counterpoise. A spade connector is provided for the counterpoise, but the user supplies the 16.5′ piece of wire. The antenna has a female BNC connection for connection to your coax, and can easily handle 25 watts. A typical mounting would be on a user supplied 1/4-20 threaded stud fitted to a tripod or clamp fitted with a 1/4-20 threaded stud. Total weight of the antenna with counterpoise is ~5 oz. (144gm). The 40m coil will add ~2.25 oz (64gm). The assembly tools required are, an electric drill, 5/64” drill bit, 4-40 tap, phillips screwdriver, pliers, soldering iron, solder. It can easily be assembled in about an hour. On a difficulty scale of 1 to 5, 5 being the most difficult, this is rated at 2.

 

 

Click here for the assembly manual