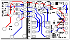
KD1JV SKC Keyer

This kit has been discontinued by QRPGuys but is in stock and shipping by QRPBuilders.

See https://qrpbuilder.com/kd1jv-skc-keyer

 

QRPGuys is offering Steve’s popular simple keyer chip that has been upgraded to an ATtiny45.

We reduced the overall size of Steve’s original board, offering more memory for longer messages, and now there are two assembly options at time of construction, a single board option, or splitting the board for a difficult close quarters installation.

Both options mount by drilling two holes, one for the 3.5mm stereo paddle jack and the other for a small pushbutton clearance.  It is powered from the rig, (7-15V max.), and draws only 3mA. The keyer has adjustable speed from 5 WPM – 30 WPM. There are two programmable memories at (60 characters each), also Beacon, and Tune mode. Iambic B supported, as well as straight key detection on start-up if a non-stereo plug used. The keyer uses solder pads for the internal connections to your rig, and a 3.5mm stereo jack for your paddle. The single board option is .85″ (21.6mm) W x 1.50″ (38.1mm) L. The tools required are a soldering iron with a small tip, rosin core solder, small side cutters, and can be built in an hour. On a difficulty scale of 1 to 5, 5 being the most difficult, this is rated at 2.

 

Click here for assembly manual