QRPGuys Digital Power Port

QRPGuys Digital Power Port – $25

We are closing due to illness. We will be open for orders and shipping when you see the PayPal buttons re-appear. Technical support via email is the only service available until then.

 

 

***Please verify your address with PayPal before ordering.***

 

Your PayPal receipt is your confirmation that we have received your order. Stock availability and shipping volume can delay shipping.

 

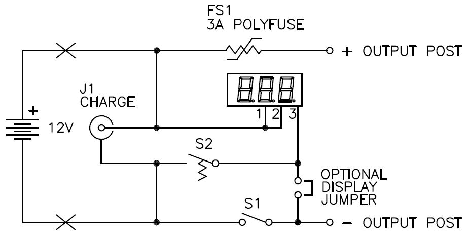
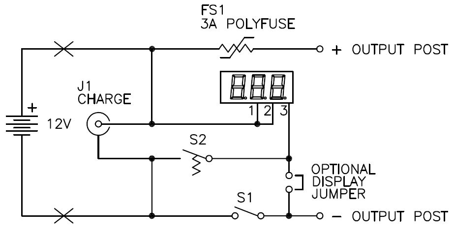
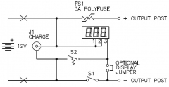
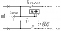
The QRPGuys Digital Power Port is a handy way to turn a common sealed lead acid battery (SLA)  or Lithium (LiFePO4) into a convenient power source for your indoor, portable operation, or other projects. It can be used with just about any size battery and voltage from 3-30V, as it is attached to the battery with clear packing tape. It uses a digital voltmeter will with .1V resolution so you can easily check your capacity before you depart and while your are operating. The output is fused with an automatically resetting Polyfuse rated at 3.0A continuous/5.1A trip. There is a convenient 2.1mm pin coaxial power jack for charging. Output connections are captive S.S. hardware. This kit can be built in less than an hour. On a difficulty scale of 1 to 5, 5 being the most difficult, this is rated at 1 or 2, depending on your experience.

 

Click here for the assembly manual