QRPGuys 40/30/20m DSB Digital Transceiver II Kit

 

 
Click here for the new version.
 

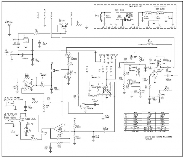
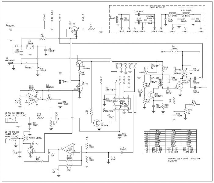
The new QRPGuys DSB Digital Transceiver II is a low cost, multiband, DSB transceiver kit, with three easy plug-in modules for 40/30/20m, (additional module pcb’s available). Changes that Steve Weber (KD1JV) have included are, a high pass filter to help with BCB interference in troubled environments, replaced the relay with solid state switching, and designed a multi-band 160m-17m VFO as an easy plug-in option. The transceiver output remains the same at an approximate 2.5 watts on 40m, over 1.5 watts on 30m, and over 1 watt on 20m. The receiver sensitivity was measured at .4uV (-115dBm). The board is the same size, and all the components are included for the transceiver (3.0″ x 3.12″) and three band modules, for 40/30/20m.

You can see the optional new Si5351A VFO here, designed for our original transceiver and the new II transceiver to allow different modes and bands from 160m – 17m.  No more sourcing crystals!

The transceiver runs the popular free WSJT-X software (Windows, Linux, or macOS) that requires an accurate time synchronization program, such as Dimension 4, or many of the other free ones available. Users will need two generic 3.5mm stereo jumpers to your computer or tablet microphone/speaker jacks on the sound card.

The T/R relay is replaced by a transistor switch with the VOX circuit sensing the signal from the software on the pc or tablet speaker jack. The optional VFO plugs into and mounts directly on the pcb. The connections to the transceiver are BNC for the antenna, 3.5mm stereo jumpers to the computer audio jacks, and 12-14 VDC for the pcb mounted 2.1mm pin coaxial power jack. Power consumption is about RX-15mA / TX-350mA. The total weight w/three band modules is 3oz. (85gm). The normal tools required are a soldering iron with a small tip, rosin core solder, and small side cutters. The transceiver can be built in an evening. On a difficulty scale of 1 to 5, 5 being the most difficult, this is rated at 3 depending on your experience.

 

Click here for the transceiver assembly manual

 

Excellent FT8 Users Guide by ZL2IFB

 

Reference URLS:

https://physics.princeton.edu/pulsar/K1JT/wsjtx.html Latest WSJT-X program

Dimension4  download  – Coordinates computer time

https://time.is/ – Checks time accuracy of the computer time

 
AmazingCounters.com