• Home
  • Gen. Products
    • QRPGuys Digital Power Port
    • QRPGuys Chassis Tilt Bail
  • (tr)uSDX Accessories
    • (tr)uSDX Aluminum Case
    • BS170 socketed heatsink
    • Electret PTT Microphone
  • XMTRS/RCVRS/TXCVRS
    • QRPGuys AFP-FSK Digital Transceiver III
    • QRPGuys Multi-DC 10/12/15m CW Transceiver
    • QRPGuys DSB Digital Transceiver II Kit
    • 160m-10m Si5351A VFO Kit
  • Antennas
    • Center Loaded Vertical Antenna kit
    • QRPGuys EFHW Antenna 40m-15m or 80m with Tuner
    • QRPGuys DS1 40m -10m Antenna
    • QRPGuys 40m-10m UnUnTenna
    • QRPGuys 40m-10m UnUnTenna Plus
    • QRPGuys Portable Tri-Band Vertical Antenna 40/30/20m
    • QRPGuys No Tune End Fed Half Wave Antenna 80-10m
    • QRPGuys Wire Antenna Trap Kit
    • QRPGuys Multi-Band End Fed Antenna 40/30/20m
    • QRPGuys 80m-10m Mini No Tune End Fed Half Wave Antenna
    • QRPGuys 40m-10m Mini UnUnTenna
  • Tuners
    • Multi Z Tuner 40m-10m
  • Antenna Misc.
    • QRPGuys Digital Power/SWR Meter w/Dummy Load
    • QRPGuys 10/20/30dB 50Ω Switched Attenuator
    • K7QO Noise Bridge
    • 12W Dummy Load / Power Meter Product Page
    • LED Tuning Indicator Page
    • QRPGuys 1:1 and 4:1 Voltage Baluns
    • QRPGuys Wire Antenna Trap Kit
  • Misc. CW products
    • QRPGuys KD1JV Code Trainer
    • KD1JV SKC Keyer
  • Test Equip and Misc. items.
    • QRPGuys Digital Power/SWR Meter w/Dummy Load
    • Electret PTT Microphone
    • QRPGuys 10/20/30dB 50Ω Switched Attenuator
    • K8TND DIP Breakout Board
    • K7QO Noise Bridge
    • 12W Dummy Load / Power Meter
    • QRPGuys Simple RF Probe
  • Services
  • Misc. Files
    • Easy Homemade PTT Electret Microphone
    • Multi-DC transceiver pcb fabricated chassis
    • 160m-10m VFO Arduino Sketch for FT8 v. B and v. II 3030521
    • Pacificon Arduino Sketch
    • SO8 to DIP8 Adapter Mounting Instructions
    • NanoVNA Fabricated Chassis
    • QRP Labs QCX pcb chassis
    • General PCB Chassis Techniques
    • MC3361C IC Datasheet
    • BB910 Varactor datasheet
    • AD8307 datasheet
    • Digital Dial firmware
    • Keyer firmware
    • Marker Generator firmware
    • Plastics Dissapation Factor List
    • LMC567 Specifications
    • MAX7427 Specifications
  • Retired Products or Bare PCB’s only
    • Thru Hole Digital Dial / Frequency Counter Product Page
    • K7QO Marker Generator
    • K8TND Active RX Antenna Splitter
    • QRPGuys TCXO Frequency Standard/Reference
    • QRPGuys EZ WSPR Pi
    • K8TND Sferics Receiver
    • K8TND Direct Conversion 40m Receiver
    • K8TND AM BCB Receiver
    • K8TND Regenerative Receiver
    • K8TND VHF Regen AirBand Receiver
    • QRPGuys 31 dB Step Attenuator
    • QRPGuys DSB Digital Transceiver Kit
    • QRPGuys LA3ZA Zero Beat Indicator
    • QRPGuys Digital Field Strength Meter
    • Simple Lowpass CW SCAF Filter
    • QRPGuys Active 600Hz Audio Filter
    • DJ3KK SPRAT CW Announced Frequency Counter
    • Para80/40set Transceiver
    • Lidia Receiver
    • KX Iambic Mini Paddle Kit
    • KX Single Lever Paddle Kit
    • Single Lever Mini Paddle
    • Single Lever Paddle w/Base
    • Iambic Mini Paddle
    • Iambic Mini Paddle w/Base
    • MMM+ 40m Transmitter
    • QRPGuys Portable 80/60m Vertical Antenna
    • KD1JV Single Lever CW Trainer
    • KD1JV Dual Lever (Iambic) Combo CW Trainer
    • Single Lever Keyer/Paddle
    • Keyer V1
    • Keyer V2
    • uBITx CW Conditioning Adapter
    • K7QO Code Practice Oscillator
    • SMT Digital Dial/Frequency Counter
    • W8TEE and K2ZIA Antenna Analyzer PCB
Skip to content

QRPGuys

QRPGuys – Unique ham radio kits for the budget minded

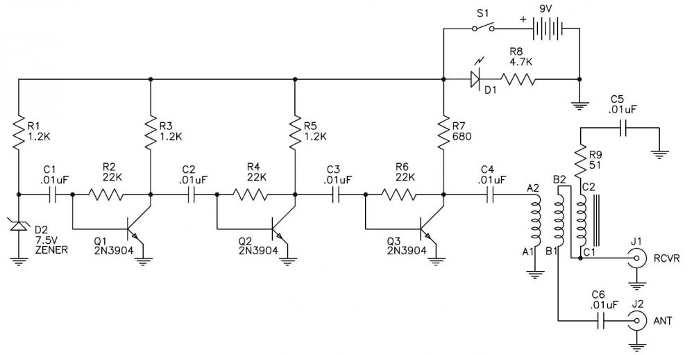
Noise Bridge

IMG_3289a IMG_3291a noise11
[Show thumbnails]
Proudly powered by WordPress | Trance WordPress Theme by InkHive.
  • (tr)uSDX Accessories
  • (tr)uSDX Aluminum Case
  • 12W Dummy Load / Power Meter
  • 20m IC Transmitter
  • Antenna Misc.
  • Antennas
  • Bare PC Boards only
  • BS170 socketed heatsink
  • Center Loaded Vertical Antenna kit
  • CW/SSB 10W Amplifier
  • Digital RF Probe
  • DJ3KK SPRAT CW Announced Frequency Counter
  • Easy Homemade PTT Electret Microphone
  • Electret PTT Microphone
  • General products
  • Home
  • Iambic Mini Paddle
  • Iambic Mini Paddle w/Base
  • K7QO Code Practice Oscillator
  • K7QO Marker Generator
  • K7QO Noise Bridge
  • K8TND Active RX Antenna Splitter
  • K8TND AM BCB Receiver
  • K8TND DIP Breakout Board
  • K8TND Direct Conversion 40m Receiver
  • K8TND Regenerative Receiver
  • K8TND Sferics Receiver
  • K8TND VHF Regen AirBand Receiver
  • KD1JV Dual Lever (Iambic) Combo CW Trainer
  • KD1JV Single Lever CW Trainer
  • KD1JV SKC Keyer
  • KD1JV SKC Keyer
  • KD1JV Super PTO 40 Receiver
  • Keyer V1
  • Keyer V2
  • Keyers, Paddles, and Trainers
  • Keyers, Trainers, and Misc. CW products
  • KX Iambic Mini Paddle Kit
  • KX Single Lever Paddle Kit
  • LED Tuning Indicator Page
  • Lidia Receiver
  • Micro Solder Pot
  • Mini Paddle
  • Misc. Files
  • MMM+ 40m Transmitter
  • Multi Z Tuner 40m-10m
  • Multi-DC transceiver pcb fabricated chassis
  • Noise Bridge
  • Pacificon Arduino Sketch
  • Paddles
  • Para80/40set Transceiver
  • Para80set Transceiver Page
  • PCB Fabricated Chassis
  • PCB Fabricated Chassis
  • QRPGuys 1:1 and 4:1 Voltage Baluns
  • QRPGuys 10/20/30dB 50Ω Switched Attenuator
  • QRPGuys 1510 AFP-FSK Digital Transceiver
  • QRPGuys 31 dB Step Attenuator
  • QRPGuys 40/30/20m DSB Digital Transceiver II Kit
  • QRPGuys 40/30/20m DSB Digital Transceiver II Kit
  • QRPGuys 40m-10m Mini UnUnTenna
  • QRPGuys 40m-10m UnUnTenna
  • QRPGuys 40m-10m UnUnTenna Plus
  • QRPGuys Active 600Hz Audio Filter
  • QRPGuys Active Antenna
  • QRPGuys AFP-FSK Digital Transceiver III
  • QRPGuys AFP-FSK Digital Transceiver IIIa
  • QRPGuys Chassis Tilt Bail
  • QRPGuys Digital Field Strength Meter
  • QRPGuys Digital Power Port
  • QRPGuys Digital Power/SWR Meter w/Dummy Load
  • QRPGuys DS1 40m -10m Antenna
  • QRPGuys DSB Digital Transceiver Kit
  • QRPGuys EFHW Antenna 40m-15m or 80m with Tuner
  • QRPGuys EZ WSPR Pi
  • QRPGuys KD1JV Code Trainer
  • QRPGuys LA3ZA Zero Beat Indicator
  • QRPGuys Micro 40-15m EFHW Tuner/Antenna
  • QRPGuys Mini 80m-10m No Tune End Fed Half Wave Antenna
  • QRPGuys Multi-DC 10/12/15m CW Transceiver
  • QRPGuys Pacificon DSB/CW Transceiver Kit
  • QRPGuys Portable 40/30/20m Tri-Band Vertical Antenna
  • QRPGuys Portable 80/60m Vertical Antenna
  • QRPGuys Portable Multi-Band End Fed Antenna
  • QRPGuys Portable No Tune End Fed Half Wave Antenna
  • QRPGuys Simple RF Probe
  • QRPGuys SP5DDJ’s Lidia CW/SSB Receiver
  • QRPGuys TCXO Frequency Standard/Reference
  • QRPGuys Tuners or Antenna products
  • QRPGuys Wire Antenna Trap Kit
  • Retired kit documentation
  • Retired Products
  • Services
  • Si5351A/MS5351M 160m-10m VFO Kit
  • Simple Lowpass CW SCAF Filter
  • Single Lever Keyer/Paddle
  • Single Lever Mini Paddle
  • Single Lever Paddle w/Base
  • SMT Digital Dial/Frequency Counter
  • SO8 to DIP8 Adapter
  • Test
  • Test Equipment
  • Thru Hole Digital Dial / Frequency Counter
  • Tuners
  • uBITx CW Conditioning Adapter
  • VFO Arduino Sketches
  • W8TEE and K2ZIA Antenna Analyzer
  • Welcome to QRPGuys
  • XMTRS/RCVRS/TXCVRS
  • μBITX JackAl Enhancement Board