Para80/40set Transceiver

QRPGuys KD1JV Para80/40set Transceiver

 

This product has been retired. We no longer have bare pc boards available.


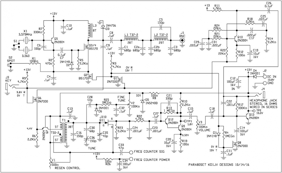
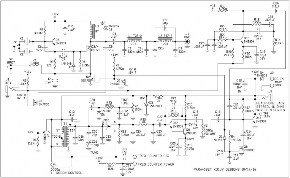
We are pleased to announce that Steve Weber (KD1JV) has updated his MAS-80 transceiver for QRPGuys to offer as a kit. Steve originally designed it for the M.A.S. design contest (minimum art session), a contest started by Dr. Harmut “Hal” Weber, DJ7ST. (Now a SK). The idea behind this contest is to encourage Hams to build and operate a rig using a minimal number of parts. Steve has made some improvements and modifications and the result is the Para80set or Para40set. It is named to commemorate the “Paraset” clandestine vacuum tube transceiver that was parachuted behind enemy lines to Allied resistance groups in northern Europe, and Scandinavia during WW II. Steve’s new design incorporates a sensitive stable regenerative receiver covering ~270kHz, ~3 watt output @13.8V 80m or 40m crystal controlled CW transmitter like the original “Paraset”, but with modern solid state components that conforms to today’s spectral purity requirements, a “spot” switch, (3.560MHz and 3.5795MHz for 80m), or (7.030MHz for 40m) crystals. It is a standalone, thru hole, single board kit, that is powered by 12-13.8VDC, with a silkscreened PCB that can be used as is, or mounted in a chassis or case of your choosing. The board measures 4.00″ x 2.90″. All controls and components are board mounted, Main Tuning, Fine Tuning, Volume, and Regen. You will need to supply your own control knobs. Rear connections are female BNC antenna jack, standard 3.5mm jack for key, and a 5.5mm x 2.1mm 12VDC power jack. Earphone jack (3.5mm) is on the front. We show three possible homemade cases you can make. Sensitivity ~.5uV MDS. Current usage, TX ~460mA@13.8V, RX ~20mA. On a scale of 1 to 5, 5 being the most difficult, this is rated as a 3. Allow 3 to 4 hours to build. If you desire, the board has power and signal outputs for our digital dial, but it would need to ordered separately.

The pcb is the same for both bands, but is marked Para80set. You receive a small bag of band specific parts for the band you ordered.

 

Click here to check out the new 80m EFHW or the standard 40m-15m EFHW Tuner

 

Click here for the 80m assembly manual

 

Click here for the 40m assembly manual

 

Click here for some chassis suggestions