K7QO Marker Generator

 

This product has been retired.  Bare board only available – $10,   Go here to order

 

Your PayPal receipt is your confirmation that we have received your order. Stock availability and shipping volume can delay shipping.

Another fine kit designed by Chuck Adams (K7QO), the K7QO Marker Generator a useful RF generator that can be used for some of the following tasks.

• signal generator
• crystal calibrator
• signal source for receiver alignment
• signal source for dial calibration in homebrew receivers
• band edge reference source

and others…

 

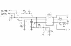
The generator uses a Microchip 12F508 microprocessor to generator square waves at either 50kHz, 25kHz, 10kHz, or 5kHz intervals. These square waves are rich in harmonics that can be easily heard in receivers from 50kHz thru 150MHz.

A push button allows the user to select one of the four intervals and move between them during tests and experiments. Two LEDs display which frequency interval is being generated and a table is shown on the PCB to easily remind the user what output is being generated. An option is provided for an external power source up to 5V for the generation of stronger signals if needed. Just be sure to remove the 3.3V coin cell before applying an external voltage and not to exceed 5V or damage will occur to the microprocessor. An adjustable trimmer cap is provided to calibrate the device using a WWV signal on a receiver to zero beat the frequency output of the marker generator.

See the user guide for more details on the exact procedures and to learn more about using the device.

 

Click here for assembly manual

 

Click here for usage manual